Biến tần INVT GD350A – Lựa chọn hàng đầu cho hệ thống công nghiệp
Trong bối cảnh tự động hóa ngày càng phát triển, việc lựa chọn một dòng biến tần mạnh mẽ, ổn định và chính xác là yếu tố quyết định hiệu quả vận hành của toàn hệ thống. Biến tần INVT GD350A chính là một trong những dòng biến tần cao cấp được nhiều doanh nghiệp tin dùng nhờ công nghệ điều khiển vector tiên tiến và khả năng đáp ứng đa dạng ứng dụng.

Vậy dòng GD350A có gì nổi bật? Có phù hợp với hệ thống của bạn không? Hãy cùng tìm hiểu chi tiết trong bài viết dưới đây.
Biến tần INVT GD350A là gì?
Biến tần INVT GD350A là dòng biến tần vector vòng kín cao cấp thuộc series Goodrive của INVT, được thiết kế để điều khiển chính xác tốc độ, mô-men và vị trí của động cơ.
Khác với các dòng biến tần thông thường, GD350A hỗ trợ:
- Điều khiển vòng hở (SVC)
- Điều khiển vòng kín (VC – có encoder)
Điều này giúp thiết bị hoạt động ổn định ngay cả trong các ứng dụng yêu cầu độ chính xác cao như máy CNC, máy dệt, hệ thống nâng hạ.
Tại sao biến tần INVT GD350A được ưa chuộng?
1. Điều khiển vector chính xác vượt trội
Một trong những điểm mạnh lớn nhất của biến tần INVT GD350A là khả năng điều khiển vector:
- Torque cao ngay từ tốc độ thấp
- Điều khiển mượt mà, giảm rung động
- Đáp ứng nhanh khi tải thay đổi
Bạn đang sử dụng biến tần nhưng thấy máy chạy không ổn định? Đây chính là lý do nhiều doanh nghiệp chuyển sang GD350A.
2. Dải công suất cực rộng
GD350A có dải công suất từ:
- 1.5kW đến 500kW
→ Phù hợp cho:
- Máy nhỏ
- Dây chuyền sản xuất
- Nhà máy công nghiệp nặng
Bạn chỉ cần chọn đúng model là có thể sử dụng cho hầu hết ứng dụng.
3. Khả năng quá tải mạnh mẽ
Biến tần hỗ trợ:
- 150% dòng trong 60s
- 180% trong 10s
- 200% trong 1s
→ Đặc biệt phù hợp cho:
- Máy nghiền
- Băng tải nặng
- Máy ép
4. Tích hợp truyền thông công nghiệp
GD350A hỗ trợ nhiều giao thức:
- Modbus RTU
- CANopen
- Profibus
- Profinet
- EtherCAT
- Ethernet/IP
Bạn đang dùng PLC hay SCADA? GD350A có thể tích hợp dễ dàng.
5. Khả năng mở rộng linh hoạt
Biến tần hỗ trợ nhiều card mở rộng:
- Card PLC (CODESYS)
- Card encoder
- Card truyền thông
- Card Wifi / Bluetooth
Điều này giúp GD350A không chỉ là biến tần mà còn là một trung tâm điều khiển mini.
Ứng dụng thực tế của biến tần INVT GD350A
Bạn đang băn khoăn liệu dòng này có phù hợp với hệ thống của mình?

Dưới đây là các ứng dụng phổ biến:
Ngành công nghiệp nhẹ
- Máy dệt, máy sợi
- Máy in, máy đóng gói
- Máy chế biến thực phẩm
Ngành công nghiệp nặng
- Nhà máy xi măng
- Nhà máy thép
- Khai khoáng
Hệ thống tự động hóa
- Băng tải
- Quạt, bơm công nghiệp
- HVAC

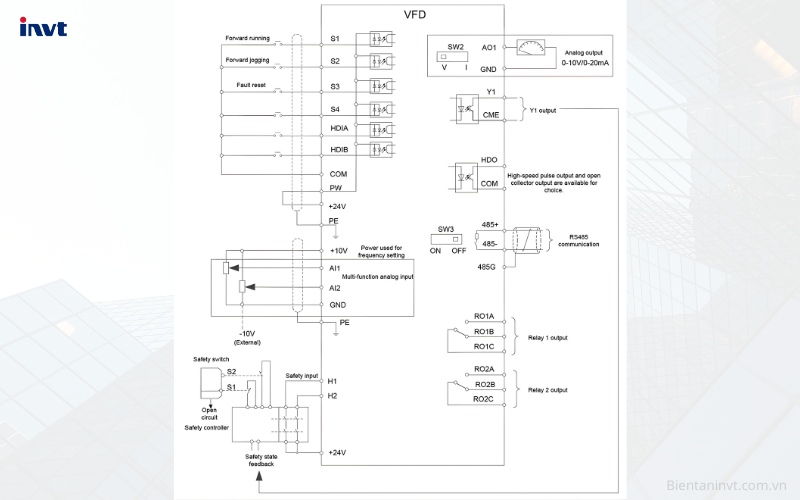
Hướng dẫn lắp đặt biến tần GD350A điều khiển vị trí motor không đồng bộ
Việc sử dụng biến tần INVT GD350A để điều khiển vị trí motor không đồng bộ ngày càng phổ biến nhờ khả năng điều khiển vector vòng kín chính xác cao. Tuy nhiên, để hệ thống hoạt động ổn định và đạt hiệu suất tối ưu, việc lắp đặt và cấu hình đúng kỹ thuật là rất quan trọng.

Nguyên lý điều khiển vị trí với GD350A
GD350A sử dụng chế độ Vector Control (VC) kết hợp với encoder để:
- Xác định vị trí rotor
- Điều khiển chính xác góc quay
- Duy trì mô-men ổn định
Điều này giúp biến tần có thể điều khiển motor không đồng bộ gần tương đương với servo.
Chuẩn bị thiết bị
Trước khi lắp đặt, bạn cần chuẩn bị:
- Biến tần INVT GD350A
- Motor không đồng bộ 3 pha
- Encoder (incremental hoặc sin-cos)
- Card PG (encoder card)
- Nguồn cấp phù hợp (3 pha 380V)
- Dây tín hiệu encoder chống nhiễu
Đấu nối phần cứng
Đấu nguồn và động cơ
- Kết nối nguồn vào R/S/T
- Kết nối đầu ra U/V/W với motor
- Đảm bảo nối đất đúng tiêu chuẩn
Đấu encoder
- Kết nối encoder vào card PG
- Kiểm tra đúng cực A, B, Z
- Sử dụng dây shield chống nhiễu
Lưu ý: Nên tách riêng dây encoder và dây động lực để tránh nhiễu tín hiệu.
Cài đặt thông số cơ bản
Sau khi đấu nối, tiến hành cài đặt:
Chọn chế độ điều khiển
- Chọn chế độ VC (Vector Control có encoder)
Khai báo thông số motor
- Công suất
- Điện áp
- Dòng định mức
- Tốc độ định mức
Cài đặt encoder
- Loại encoder
- Số xung (PPR)
- Hướng quay
Tuning và hiệu chỉnh
Đây là bước rất quan trọng để đảm bảo độ chính xác:
- Thực hiện Auto-tuning (tự động nhận dạng motor)
- Kiểm tra chiều quay
- Hiệu chỉnh PID nếu cần
Sau khi tuning, hệ thống sẽ đạt:
- Điều khiển vị trí chính xác
- Phản hồi nhanh
- Giảm rung và sai số
Kiểm tra và vận hành thử
Trước khi đưa vào hoạt động chính thức:
- Chạy thử không tải
- Kiểm tra phản hồi encoder
- Kiểm tra tín hiệu điều khiển
- Quan sát lỗi (nếu có)
Một số lưu ý quan trọng
- Luôn nối đất đúng kỹ thuật
- Không chạy motor khi encoder chưa cấu hình
- Tránh nhiễu tín hiệu encoder
- Kiểm tra thông số trước khi vận hành
So sánh GD350A với các dòng biến tần khác
| Tiêu chí | GD350A | Biến tần thường |
|---|---|---|
| Điều khiển vector | Có | Hạn chế |
| Độ chính xác | Cao | Trung bình |
| Ứng dụng tải nặng | Tốt | Không tối ưu |
| Truyền thông | Đa dạng | Ít |
→ Nếu bạn cần hiệu suất cao → GD350A là lựa chọn tốt hơn.
Cách lựa chọn biến tần INVT GD350A phù hợp
Khi chọn biến tần INVT GD350A, bạn cần quan tâm:
Công suất động cơ
- Chọn biến tần ≥ công suất motor
- Ví dụ: motor 15kW → chọn GD350A-015G/018P-4
Loại tải
- Tải nhẹ → chọn theo tải P
- Tải nặng → chọn theo tải G
Ứng dụng thực tế
- Có encoder → dùng VC
- Không encoder → dùng SVC
Các dòng sản phẩm biến tần Invt GD350A liên quan
| Mã INVT | Biến tần 3 pha | Điện áp |
|---|---|---|
| GD350A-1R5G/2R2P-4 | 1.5/2.2 kW | 380V~440V |
| GD350A-2R2G/003P-4 | 2.2/3 kW | 380V~440V |
| GD350A-004G/5R5P-4 | 4/5.5 kW | 380V~440V |
| GD350A-5R5G/7R5P-4 | 5.5/7.5 kW | 380V~440V |
| GD350A-7R5G/011P-4 | 7.5/11 kW | 380V~440V |
| GD350A-011G/015P-4 | 11/15 kW | 380V~440V |
| GD350A-015G/018P-4 | 15/18.5 kW | 380V~440V |
| GD350A-018G/022P-4 | 18.5/22 kW | 380V~440V |
| GD350A-022G/030P-4 | 22/30 kW | 380V~440V |
| GD350A-030G/037P-4 | 30/37 kW | 380V~440V |
| GD350A-037G/045P-4 | 37/45 kW | 380V~440V |
| GD350A-045G/055P-4 | 45/55 kW | 380V~440V |
| GD350A-055G/075P-4 | 55/75 kW | 380V~440V |
| GD350A-075G/090P-4 | 75/90 kW | 380V~440V |
| GD350A-090G/110P-4 | 90/110 kW | 380V~440V |
| GD350A-110G/132P-4 | 110/132 kW | 380V~440V |
| GD350A-132G/160P-4 | 132/160 kW | 380V~440V |
| GD350A-160G/185P-4 | 160/185 kW | 380V~440V |
| GD350A-185G/200P-4 | 185/200 kW | 380V~440V |
| GD350A-200G/220P-4 | 200/220 kW | 380V~440V |
| GD350A-220G/250P-4 | 220/250 kW | 380V~440V |
| GD350A-250G/280P-4 | 250/280 kW | 380V~440V |
| GD350A-280G/315P-4 | 280/315 kW | 380V~440V |
| GD350A-315G/355P-4 | 315/355 kW | 380V~440V |
| GD350A-355G/400P-4 | 355/400 kW | 380V~440V |
| GD350A-400G/450P-4 | 400/450 kW | 380V~440V |
| GD350A-450G/500P-4 | 450/500 kW | 380V~440V |
| GD350A-500G-4 | 500 kW | 380V~440V |
Có nên sử dụng biến tần INVT GD350A không?
Câu trả lời là CÓ, nếu bạn cần:
- Điều khiển chính xác
- Hoạt động ổn định
- Tải nặng
- Hệ thống lớn
Tuy nhiên, nếu chỉ dùng cho ứng dụng đơn giản, bạn có thể cân nhắc dòng thấp hơn như GD20.

Câu hỏi thường gặp về biến tần INVT GD350A
- Biến tần GD350A có dùng cho bơm không?
Có. GD350A rất phù hợp cho hệ thống bơm công nghiệp.
- GD350A có cần encoder không?
Không bắt buộc. Có thể dùng SVC (không encoder).
- Có thể kết nối PLC không?
Có. Hỗ trợ rất nhiều chuẩn truyền thông.
Kết luận
Biến tần INVT GD350A là dòng biến tần cao cấp, đáp ứng tốt từ các ứng dụng đơn giản đến hệ thống công nghiệp siêu lớn. Với công nghệ điều khiển vector hiện đại, khả năng mở rộng linh hoạt và độ bền cao, đây là lựa chọn đáng đầu tư cho doanh nghiệp muốn tối ưu hiệu suất và tiết kiệm chi phí vận hành.
Liên hệ ngay với chúng tôi để được tư vấn và nhận báo giá tốt nhất cho biến tần INVT chính hãng, phù hợp với nhu cầu sử dụng của bạn.
|
PDF
|
↓
|
— — — Cảm ơn Quý khách đã ghé thăm và tin tưởng lựa chọn sản phẩm tại website: bientaninvt.com.vn — — —
